In response to the high-intensity, high-torque and frequent rapid reversing requirements of mixer trucks, this motor features higher efficiency, a wider speed regulation range, faster response, less temperature rise and lower noise. It enables mixer trucks to operate without being restricted by geographical altitude and meets the working conditions of various regions.
Product advantages
In response to the high-intensity, high-torque and frequent rapid reversing requirements of mixer trucks, this motor features higher efficiency, a wider speed regulation range, faster response, less temperature rise and lower noise. It enables mixer trucks to operate without being restricted by geographical altitude, meeting the working conditions of various regions.
The permanent magnet servo dedicated motor features an extremely high torque-volume ratio and power-volume ratio. It serves as a reliable high-performance servo actuator in this system and has a strong instantaneous start-up overload capability to adapt to the operation of tanks carrying materials of different densities.
It adopts direct drive technology, effectively overcoming many limitations and energy transmission losses of hydraulic mechanical transmission devices, and features low inertia and high rigidity. The motor winding complies with H-class, and the motor insulation complies with F-class. The special high-frequency winding is suitable for long wiring high-frequency PWM waveforms.
The IPM embedded magnetic steel core, precisely processed from strong magnetic rare earth materials, ensures the motor operates efficiently while maintaining excellent noise reduction.
This motor is standard-equipped with a resolver encoder as a speed feedback closed loop, which overcomes the resolution limitations of traditional digital encoders and can achieve excellent low-speed servo performance and uniform rotation characteristics. The wide-frequency speed adjustment range is 0-2200 RPM, with a minimum stable output of 1rpm. The response speed is as fast as 0.03 seconds. The high-precision control comes with a built-in start-stop slope adjustment, making the tank operation more stable.
It is equipped with self-check and analysis functions such as torque overload detection and speed detection to protect the motor from damage.
The unique hollow liquid cooling design ensures that the motor operates with low heat generation for a long time in high-temperature weather, significantly extending the motor's service life.
The standard spline through shaft design at the tail end ensures that in emergency rescue, there is no need to disassemble the motor. Just seamlessly connect the rescue motor and directly plug it into the tail of the motor, achieving unloading in the shortest time and preventing tank coagulation.
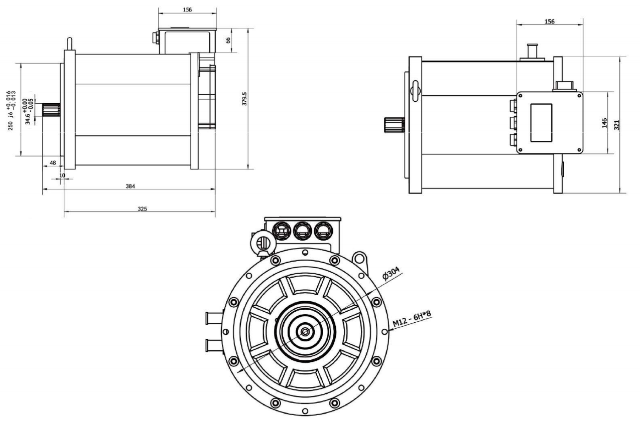
External dimensions

Technical Specification

Selection and configuration

Economic comparison table of Oil/Electric Mixer Trucks

0574-87668083
18042069740